第 1 頁 (共 1 頁)
10-電學-555無穩態-警示燈
發表於 : 2025年 10月 28日, 06:56
由 cajhbb
10電學-555無穩態-警示燈

- 紅藍警示燈.jpg (35.45 KiB) 已瀏覽 447 次

- 無穩態555.gif (4.76 MiB) 已瀏覽 472 次

- Pin-Diagram-555-IC.jpg (36.29 KiB) 已瀏覽 448 次
555無穩態-工作原理
發表於 : 2025年 10月 28日, 06:59
由 cajhbb
555無穩態-工作原理
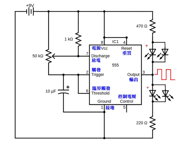
555無穩態-電路圖
發表於 : 2025年 10月 28日, 07:23
由 cajhbb
555無穩態-電路圖

- 555無穩態.jpg (53.95 KiB) 已瀏覽 471 次

- 555無穩態BB.jpg (67.47 KiB) 已瀏覽 446 次
555無穩態接線圖
發表於 : 2025年 10月 31日, 05:51
由 cajhbb

- 555警示燈.jpg (77.92 KiB) 已瀏覽 442 次